x
华球(中国)有限公司
关于我们
产品中心
核心能力
工程案例
资讯
联系我们
华球(中国)有限公司
关于我们
产品中心
核心能力
工程案例
资讯
联系我们
0512-55237365
产品中心
products
UPVC国标给水管件
当前位置:
华球(中国)有限公司
>
产品中心
>
管件阀系列
>
UPVC国标给水管件
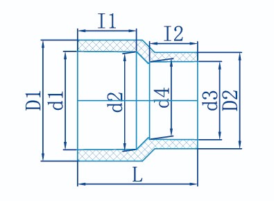
异径直接
联系我们 +
产品说明
<
上一篇:
没有了
下一篇:
异径三通
>
华球(中国)有限公司
关于我们
企业简介
企业荣誉
公司环境
产品中心
板材系列
化工管道系列
给排管道系列
管件阀系列
核心能力
核心能力
工程案例
工程案例
资讯
企业
行业
联系我们
联系我们
在线留言
版权所有:华球平台
苏ICP备13029626号-1
【免责声明】
安博网页版
|
华体网页版登录入口
|
米兰手机在线登陆入口
|
千亿官方网页版登录入口中国有限公司
|
开云官方网页版
|
韦德官方网站登录
|
米兰体育官网登录入口(中国)有限公司
|
华球体育(中国)官方网站
|
半岛线上官网
|